Gaggia Baby Total Mod

Οι καλύτερες μηχανές DIY που κυκλοφορούν

Re: Gaggia Baby Total Mod

Μη αναγνωσμένη δημοσίευσηαπό woodsman43 » 29 Δεκ. 2014, 16:47

Eτσι οπως το βλεπω το πραμα παει για μοντελο του 2015 η γιαγγια σου γιωργο.Θα κραταει και καλυτερη μεταπωληση σαν καινουργιο μοντελο :lol:
Βλεπω προχωρας σιγα σιγα και υπουλα σε αλλαγη του σασι.Μαλλον το πας σιγα σιγα για να μην καταλαβει τιποτα η gaggia σου.Πας να την ξεγελασεις ετσι; :lol:
Μια ερωτησουλα.Tα διακοπτακια που επελεξες ειναι push buttons η push on- poush off ;
Άβαταρ μέλους
woodsman43
Regural Member
 
Δημοσιεύσεις: 2195
Εγγραφή: 08 Δεκ. 2013, 12:54
Ονομα: Δημητρης
Τοποθεσια: Ολυμπιακο χωριο
Μηχανη: Της πλακας
2η μηχανη: Gaggia Evo Mod
Μυλος: μαπα φτιαχτος
2ος Μυλος: Anfim Caimano 64
Coffee Roaster: DIY Air home roaster
Αγαπημένοι Καφέδες: Home roast
{ TAGS }Mod Gaggia Baby, πατέντα Gaggia, μετροπή Gaggia Baby, inox boiler gaggia,

Re: Gaggia Baby Total Mod

Μη αναγνωσμένη δημοσίευσηαπό GKLTDKV » 29 Δεκ. 2014, 18:57

ναι ναι ειπα να την τελειωσω το 2015 ωστε να ειναι καινουργιο μοντελο :lol:
σασι δημητρη ουτε καν το σκεφτομαι
παρολο που τα σχεδια ειναι ηδη ετοιμα και περιμενουν :lol:
τα διακοπτακια ειναι push buttons,μου αρεσουν καλυτερα.
GKLTDKV
Regural Member
 
Δημοσιεύσεις: 202
Εγγραφή: 30 Μαρ. 2014, 16:17
Ονομα: Γιωργος
Τοποθεσια: Χανια
Μηχανη: G.B Modified By GK
Μυλος: Mazzer Super Jolly
2ος Μυλος: Porlex Mini
Coffee Roaster:
Αγαπημένοι Καφέδες:

Re: Gaggia Baby Total Mod

Μη αναγνωσμένη δημοσίευσηαπό Edesso » 31 Δεκ. 2014, 00:58

εγω σου ειπα μονο το γκρουπ θα μεινει της γιαγιας :tooth: :tooth:

Μια χαρα τα πας, πολυ ωραια :yourock:

Κατι ειπες για σχεδια και σασι ε??? :think:
espresso junkie...
Άβαταρ μέλους
Edesso
Regural Member
 
Δημοσιεύσεις: 580
Εγγραφή: 14 Φεβ. 2014, 17:24
Ονομα: Βασίλης
Τοποθεσια: Έδεσσα
Μηχανη: Espresso Baby DIY
2η μηχανη: V60/Bonavita
Μυλος: Compak K10
2ος Μυλος: porlex more steps
Coffee Roaster:
Αγαπημένοι Καφέδες: cup10 mokka

Re: Gaggia Baby Total Mod

Μη αναγνωσμένη δημοσίευσηαπό woodsman43 » 01 Ιαν. 2015, 14:23

Μην το σκεφτεσαι και τοσο πολυ.....προχωρα το ...καιρος ειναι :headbang3:
Άβαταρ μέλους
woodsman43
Regural Member
 
Δημοσιεύσεις: 2195
Εγγραφή: 08 Δεκ. 2013, 12:54
Ονομα: Δημητρης
Τοποθεσια: Ολυμπιακο χωριο
Μηχανη: Της πλακας
2η μηχανη: Gaggia Evo Mod
Μυλος: μαπα φτιαχτος
2ος Μυλος: Anfim Caimano 64
Coffee Roaster: DIY Air home roaster
Αγαπημένοι Καφέδες: Home roast

Re: Gaggia Baby Total Mod

Μη αναγνωσμένη δημοσίευσηαπό GKLTDKV » 07 Ιαν. 2015, 20:19

οπως ειχα αναφερει σε προηγουμενο ποστ αποφασισα να αλλαξω προσωψη ωστε να μπουν αλλοι διακοπτες
γιατι με αυτους υπαρχει προβλημα χωρου.
οπως επισης μεγαλος χαμος γινεται και με τα καλωδια που υπαρχουν στο χωρο του μποιλερ, ηταν που ηταν
ηδη αρκετα,προστεθηκαν και αλλα ωστε να συνδεθει το pid στην ηδη υπαρχουσα καλωδιωση και ετσι εγινε χαμος.
σχεδιασα λοιπον απο την αρχη ολο το ηλεκτρικο κυκλωμα με βασικο στοχο το οσο δυνατον λιγοτερα καλωδια
στο χωρο του μποιλερ,και ολο αυτο το ηλεκτρικο κυκλωμα ελεγχου να μπορει να τοποθετηθει εξωτερικα της μηχανης για ασφαλεια.
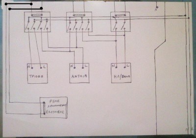
παρακατω θα σας παραθεσω το ολο σχεδιο του κυκλωματος για να ακουσω και την γνωμη σας.
να πω εδω οτι ειμαι στο αρχικο σταδιο της συναρμολογησης αυτου.
θα ειναι σε 3 φωτογραφιες κομμενο γιατι ολοκληρο σε μια φωτογραφια δεν θα φαινοταν καλα.
κατω απο καθε φωτογραφια θα υπαρχει και μια μικρη επεξηγηση.


SNC00792.jpg
εδω βλεπουμε τα μπουτον να οδηγουν τα ρελε καστανιας τα οποια με την σειρα τους ενεργοποιουν τα ρελε απο
κατω τους ωστε να τροφοδοτησουν με 5 βολτ τα λεντακια των μπουτον



SNC00795.jpg
εδω εχουμε τα ρελε που παιρνουν και αυτα ρευμα απο τα ρελε καστανιας και ενεργοποιουν αναλογα ποιο μπουτον θα πατηθει την αντλια και τριοδη για εκχυλιση,την αντλια και την ηλεκτροβανα για νερο,και τελος την ηλεκτροβαλβιδα.
ο ατμος πηγαινει απο το ρελε καστανιας του ατμου στα ssr



SNC00791.jpg
εδω φαινεται συνδεσμολογια αντιστασης μποιλερ,pid,ssr γενικου διακοπτη. οπως θα δειτε εχω προστεσει και εναν διακοπτη
εξτρα ωστε ανεξαρτητα απο οτιδηποτε αλλο να μπορω να κλεινω την αντισταση οποτε θελω εγω.
αυτο ειναι καλο πχ στην αρχη στο γεμισμα του μποιλερ αλλα και αλλου δεν υπαρχει λογος να δουλευει η αντισταση να ζοριζεται μεχρι να γεμισει νερο το μποιλερ
GKLTDKV
Regural Member
 
Δημοσιεύσεις: 202
Εγγραφή: 30 Μαρ. 2014, 16:17
Ονομα: Γιωργος
Τοποθεσια: Χανια
Μηχανη: G.B Modified By GK
Μυλος: Mazzer Super Jolly
2ος Μυλος: Porlex Mini
Coffee Roaster:
Αγαπημένοι Καφέδες:

Re: Gaggia Baby Total Mod

Μη αναγνωσμένη δημοσίευσηαπό GKLTDKV » 27 Ιαν. 2015, 21:26

δυστυχως λογω δουλειας κτλ κτλ, η κατασκευη προχωραει μεν αλλα οχι τοσο γρηγορα οσο θα ηθελα.
παρακατω θα σας παρουσιασω με φωτογραφιες το κουτι που εφτιαξα και προσαρμοσα πισω απο την μηχανη.
το κουτι αυτο περικλειει μεσα ολο το ηλεκτρολογικο κυκλωμα της μηχανης.
το προτιμησα ετσι ωστε να υπαρχουν οσο το δυνατο λιγοτερα καλωδια μεσα στο χωρο της μηχανης οπου βρισκεται το μποιλερ.
εχει και ενα αλλο υπερ οτι οταν καποια στιγμη φτιαξω ενα αλλο σασι για την μηχανη,παιρνεις το κουτι με τα
ηλεκτρικα,το βαζεις στο αλλο σασι και εισαι ετοιμος.
ολα τα υλικα ειναι ραγας,και τα ρελε με βαση ραγας αποσπωμενα για ευκολη αλλαγη,μετατροπη κτλ.
μεσα στο κουτι ειναι τα 2 ssr, το pid του ατμου,ενα τροφοδοτικο 5 βολτ για τα led των μπουτον.
επισης υπαρχει ενας μετρητης σταθμης χαμηλου που μολις κατεβει το νερο στο προκαθορισμενο χαμηλο
ενεργοποιει ενα buzzer. υπαρχουν επισης ρελε καστανιας λογω των μπουτον,ρελε για τα led,
επισης δυο ρελε για το χρονομετρο εκχυλισης του δημητρη woodsman,ενα για on-off,και ενα για την λειτουργεια μετρησης.
και επισης τα ρελε για τριοδη, αντλια και ηλεκτροβανα.
το μονο που μενει τωρα ειναι η καλωδιωση και τελος.


SNC00801.jpg



SNC00804.jpg



SNC00805.jpg



SNC00808.jpg


ΥΓ ειναι καλυτερα να χρησημοποιησω το pid της auber για την εκχυλιση? λετε να εχει καλυτερο αλγοριθμο
και να ρυθμιζει καλυτερα την θερμοκρασια η να αφησω το sestos?
GKLTDKV
Regural Member
 
Δημοσιεύσεις: 202
Εγγραφή: 30 Μαρ. 2014, 16:17
Ονομα: Γιωργος
Τοποθεσια: Χανια
Μηχανη: G.B Modified By GK
Μυλος: Mazzer Super Jolly
2ος Μυλος: Porlex Mini
Coffee Roaster:
Αγαπημένοι Καφέδες:

Re: Gaggia Baby Total Mod

Μη αναγνωσμένη δημοσίευσηαπό woodsman43 » 31 Ιαν. 2015, 22:58

Πω πω ....τι εκανες μεγαλε εδω περα.Ολοκληρο εργοστασιο της ΔΕΗ εστησες :lol: Μαρεσει που ηθελες να βγεις οικονομικα στην κατασκευη και φοβοσουν για το ποσο χρονο θα σου επαιρνε :lol: .
Καλα οσο για το pid εγω προσωπικα ψηφιζω auber δαγκωτο για το μποιλερ.
Θα περιμενω να θαυμασω συνδεσεις μιας και τα εχεις βαλει ολα πολυ τακτοποιημενα και αγωνιω λιγο :Yeah:
Άβαταρ μέλους
woodsman43
Regural Member
 
Δημοσιεύσεις: 2195
Εγγραφή: 08 Δεκ. 2013, 12:54
Ονομα: Δημητρης
Τοποθεσια: Ολυμπιακο χωριο
Μηχανη: Της πλακας
2η μηχανη: Gaggia Evo Mod
Μυλος: μαπα φτιαχτος
2ος Μυλος: Anfim Caimano 64
Coffee Roaster: DIY Air home roaster
Αγαπημένοι Καφέδες: Home roast

Re: Gaggia Baby Total Mod

Μη αναγνωσμένη δημοσίευσηαπό GKLTDKV » 03 Φεβ. 2015, 22:10

δημητρη μου μια ερωτηση θελω να σου κανω μια και θεωρω οτι εισαι ο πλεον ειδικος
για να μου απαντησει.
μιας και θα χρησιμοποιησω 2 pid, ενα για την εκχυλιση και ενα για τον ατμο.
αυτο σημαινει οτι τα 2 ssr θα ειναι συνδεμενα εν σειρα που αυτο επισης σημαινει
οτι στην ουσια υπαρχουν 2 θερμοστατες ψηφιακοι για τον ελεγχο της θερμοκρασιας του μποιλερ.
θεωρεις οτι ειναι απαραιτητο να βαλω και θερμοστατη ασφαλειας?
δεν ειναι αρκετη η ασφαλεια που παρεχουν τα 2 pid?
εκπροσδεκτος βεβαια και οποιος αλλος θελει να μου πει την γνωμη του.
GKLTDKV
Regural Member
 
Δημοσιεύσεις: 202
Εγγραφή: 30 Μαρ. 2014, 16:17
Ονομα: Γιωργος
Τοποθεσια: Χανια
Μηχανη: G.B Modified By GK
Μυλος: Mazzer Super Jolly
2ος Μυλος: Porlex Mini
Coffee Roaster:
Αγαπημένοι Καφέδες:

Re: Gaggia Baby Total Mod

Μη αναγνωσμένη δημοσίευσηαπό woodsman43 » 03 Φεβ. 2015, 22:19

Ωπως και δηποτε θερμοστατη ασφαλειας δε το συζητω.Ειναι κανονας που δεν τον παραβαινει ουτε και η πιο ηλεκτρονικα ελεγχομενη μηχανη που υπαρχει.
Άβαταρ μέλους
woodsman43
Regural Member
 
Δημοσιεύσεις: 2195
Εγγραφή: 08 Δεκ. 2013, 12:54
Ονομα: Δημητρης
Τοποθεσια: Ολυμπιακο χωριο
Μηχανη: Της πλακας
2η μηχανη: Gaggia Evo Mod
Μυλος: μαπα φτιαχτος
2ος Μυλος: Anfim Caimano 64
Coffee Roaster: DIY Air home roaster
Αγαπημένοι Καφέδες: Home roast

Re: Gaggia Baby Total Mod

Μη αναγνωσμένη δημοσίευσηαπό GKLTDKV » 17 Μαρ. 2015, 21:02

φιλοι μου χρειαζομαι την βοηθεια σας με την ρυθμιση του pid.καταφερα μετα απο χιλια ζορια,ελλειψη χρονου κτλ
να τελειωσω την gaggia baby και κολλησα στο pid της auber το syl 2352, το οποιο δεν μπορω να ρυθμισω με τιποτα.
οτι ρυθμιση και να εκανα,ακομα και το autotuning μου δινει τρελλο overshoot.
93 εχω ρυθμισει αυτο παει 98-99.αλλο προβλημα ειναι οτι δεν ξερω την πραγματικη θερμοκρασια εξοδου του νερου.
εχω οργανο να την μετρησω αλλα με ελευθερη ροη δεν γινεται,πρεπει να φτιαξω κατασκευη.
το βασικο μου προβλημα ομως ειναι η ρυθμιση του auber,δεν μπορω να το καταλαβω.το sestos που εχω δεν ειχε ουτε
υπερθερμανση και το autotuning του δουλεψε μια χαρα. το auber υποτιθεται οτι ειναι κορυφη.
καθε βοηθεια ευπροσδεκτη.
GKLTDKV
Regural Member
 
Δημοσιεύσεις: 202
Εγγραφή: 30 Μαρ. 2014, 16:17
Ονομα: Γιωργος
Τοποθεσια: Χανια
Μηχανη: G.B Modified By GK
Μυλος: Mazzer Super Jolly
2ος Μυλος: Porlex Mini
Coffee Roaster:
Αγαπημένοι Καφέδες:

ΠροηγούμενηΕπόμενο

Επιστροφή στο MODS & DIY Μηχανές Espresso

Μέλη σε σύνδεση

Εγγεγραμμένα μέλη: Bing [Bot]