Gaggia baby want to be pided

Οι καλύτερες μηχανές DIY που κυκλοφορούν

Re: Gaggia baby want to be pided

Μη αναγνωσμένη δημοσίευσηαπό john_88 » 18 Μαρ. 2015, 17:09

john_88
Member
 
Δημοσιεύσεις: 77
Εγγραφή: 06 Δεκ. 2014, 16:22
Ονομα: Γιαννης
Τοποθεσια: Ρόδο
Μηχανη: Nuova Simoneli Oscar
Μυλος: Μazzer Super Jolly
Coffee Roaster:
Αγαπημένοι Καφέδες:

Re: Gaggia baby want to be pided

Μη αναγνωσμένη δημοσίευσηαπό bach13 » 18 Μαρ. 2015, 17:43

ευχαριστω John! ειναι καλα απο εκει? ξερουμε αν εχει παρει καποιος απο εκει προσφατα και υπηρξε καποιο προβλημα?
Και κατι τελευταιο θελουμε το pid να ειναι 220v ή 240v? γιατι βρηκα και απο http://www.banggood.com/REX-C100-100-240V-Digital-PID-Temperature-Controller-Kit-p-914678.html?utm_design=18&utm_source=emarsys&utm_medium=mailad173_other&utm_campaign=newsletter-emarsys&utm_content=Echo&sc_src=email_1205127&sc_eh=0f14446a9b304f0e1&emst=EFcTzWjsvG_81562_1205127_401 πιο φτηνα και ισως ερθει πιο γρηγορα. Υπαρχουν διαφορες μεταξυ των δυο?


σορυ για τις ερωτησεις αλλα θελω να μαι σιγουρος πριν προβω σε αγορα!!
bach13
New Member
 
Δημοσιεύσεις: 14
Εγγραφή: 19 Αύγ. 2014, 16:10
Ονομα: ΣΠΥΡΟΣ
Τοποθεσια:
Μηχανη: Lelit Glenda
Μυλος:
Coffee Roaster:
Αγαπημένοι Καφέδες:

Re: Gaggia baby want to be pided

Μη αναγνωσμένη δημοσίευσηαπό woodsman43 » 18 Μαρ. 2015, 18:45

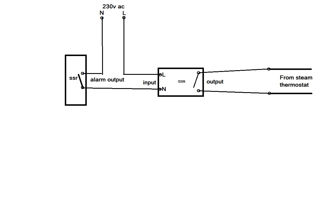
john_88 έγραψε:Το έχω και το δεύτερο ssr που πρότεινες αλλά δεν ξέρω πως πρέπει να το συνδέσω γιαυτό ρώτησα. Το pid το έχω συνδέσει και δουλεύει κανονικά για τον καφέ και θέλω ατμό τώρα. Έκανα ένα σχέδιο αν μπορείτε πείτε μου αν είναι οk .

OΧΙ δεν ειναι οκ ...ειναι λαθος.
Η σωστη συνδεσμολογια μονο εαν το ssr που εχουμε εχει εισοδo(input) 230v ειναι η παρακατω.

pid conection for steam.jpg
Άβαταρ μέλους
woodsman43
Regural Member
 
Δημοσιεύσεις: 2195
Εγγραφή: 08 Δεκ. 2013, 12:54
Ονομα: Δημητρης
Τοποθεσια: Ολυμπιακο χωριο
Μηχανη: Της πλακας
2η μηχανη: Gaggia Evo Mod
Μυλος: μαπα φτιαχτος
2ος Μυλος: Anfim Caimano 64
Coffee Roaster: DIY Air home roaster
Αγαπημένοι Καφέδες: Home roast

Re: Gaggia baby want to be pided

Μη αναγνωσμένη δημοσίευσηαπό john_88 » 18 Μαρ. 2015, 18:50

Ευχαριστώ πολύ woodsman
john_88
Member
 
Δημοσιεύσεις: 77
Εγγραφή: 06 Δεκ. 2014, 16:22
Ονομα: Γιαννης
Τοποθεσια: Ρόδο
Μηχανη: Nuova Simoneli Oscar
Μυλος: Μazzer Super Jolly
Coffee Roaster:
Αγαπημένοι Καφέδες:

Re: Gaggia baby want to be pided

Μη αναγνωσμένη δημοσίευσηαπό bach13 » 06 Απρ. 2015, 15:51

καλησπερα! δεν ξερω ποια θερμοαγώγιμη πάστα να διαλεξω?μια βοηθεια.. ποιες απο αυτες τις τρεις κανει για το θερμοζευγος ?
http://www.cosmodata.gr/product/233587/ ... -z3-1-5-gr
http://www.cosmodata.gr/product/184750/ ... ower-silve
http://www.cosmodata.gr/product/163036/ ... sential-e2
bach13
New Member
 
Δημοσιεύσεις: 14
Εγγραφή: 19 Αύγ. 2014, 16:10
Ονομα: ΣΠΥΡΟΣ
Τοποθεσια:
Μηχανη: Lelit Glenda
Μυλος:
Coffee Roaster:
Αγαπημένοι Καφέδες:

Re: Gaggia baby want to be pided

Μη αναγνωσμένη δημοσίευσηαπό hackertom » 14 Μάιος 2015, 00:08

Τι ρυθμίσεις έχετε βάλει για το Pid XMT7100;
hackertom
Member
 
Δημοσιεύσεις: 40
Εγγραφή: 04 Νοέμ. 2014, 01:11
Ονομα: Θωμάς
Τοποθεσια: Πειραιάς
Μηχανη: Gaggia Classic
2η μηχανη: -
Μυλος: Mazzer Super Jolly
2ος Μυλος: -
Coffee Roaster: -
Αγαπημένοι Καφέδες: Σε αναζήτηση

Re: Gaggia baby want to be pided

Μη αναγνωσμένη δημοσίευσηαπό hackertom » 16 Μάιος 2015, 10:22

woodsman43 έγραψε:Ναι γινεται με χρηση του αλαρμ που εχει το οργανο και με ενα ρελε αλλα πραγματικα δεν βλεπω το λογο γιατι να μπεις σε τετοιο κοπο και εξοδα.Απο την οθονη του οργανου θα βλεπεις την θερμοκρασια και θα ξεκινας το αφρογαλο σου στο 130 οποτε θα μενει ανοιχτη η αντισταση καθολη την διαρκεια που θα κανεις αφρογαλο.Απλα οικονομικα ευκολα και ομορφα. :D


Καλημέρα @woodsman43, μπορείς να μας δόσεις τις οδηγίες για το πως μπορούμε να κάνουμε την εγκατάσταση για το Alarm Steam Control εαν το trick που μας είπες δεν ικανοποιήσει;
hackertom
Member
 
Δημοσιεύσεις: 40
Εγγραφή: 04 Νοέμ. 2014, 01:11
Ονομα: Θωμάς
Τοποθεσια: Πειραιάς
Μηχανη: Gaggia Classic
2η μηχανη: -
Μυλος: Mazzer Super Jolly
2ος Μυλος: -
Coffee Roaster: -
Αγαπημένοι Καφέδες: Σε αναζήτηση

Re: Gaggia baby want to be pided

Μη αναγνωσμένη δημοσίευσηαπό woodsman43 » 16 Μάιος 2015, 16:10

Άβαταρ μέλους
woodsman43
Regural Member
 
Δημοσιεύσεις: 2195
Εγγραφή: 08 Δεκ. 2013, 12:54
Ονομα: Δημητρης
Τοποθεσια: Ολυμπιακο χωριο
Μηχανη: Της πλακας
2η μηχανη: Gaggia Evo Mod
Μυλος: μαπα φτιαχτος
2ος Μυλος: Anfim Caimano 64
Coffee Roaster: DIY Air home roaster
Αγαπημένοι Καφέδες: Home roast

Re: Gaggia baby want to be pided

Μη αναγνωσμένη δημοσίευσηαπό ioannk » 23 Σεπ. 2015, 01:03

Θα ηθελα να ρωτησω τι κοστος εχει σε υλικα η εγκατασταση PID σε gaggia baby class? Θα ηθελα ενα συνολο απο υλικα αξιοπιστα και αγορα τους απο εξωτερικο. Υπαρχει καποια προταση/λιστα με ποια εξαρτηματα θα χρειαστω? και καποιος οδηγος εγκαταστασης? εχω καποιες γνωσεις σε ηλεκτρικα/ηλεκτρονικα και διαθεση να ασχοληθω. Η μηχανη μου ειναι ολοκαινουρια (1 βδομαδας) αξιζει το εγχείρημα σε αυτη την φαση ή να το κανω αργοτερα που θα πεσει η αποδοση της μηχανης με την χρηση και θα περνω ποιο απροβλεπτα αποτελεσματα.
ioannk
New Member
 
Δημοσιεύσεις: 7
Εγγραφή: 23 Σεπ. 2015, 00:46
Ονομα: Γιάννης
Τοποθεσια: Ξάνθη
Μηχανη: Gaggia Baby Class
Μυλος: Ascaso mini i1
Coffee Roaster:
Αγαπημένοι Καφέδες:

Re: Gaggia baby want to be pided

Μη αναγνωσμένη δημοσίευσηαπό john_88 » 23 Σεπ. 2015, 10:58

Στη σελίδα 1 και 4 υπάρχουν 2 προτάσεις για pid.
Οδηγός υπάρχει viewtopic.php?f=72&t=581#p5083
john_88
Member
 
Δημοσιεύσεις: 77
Εγγραφή: 06 Δεκ. 2014, 16:22
Ονομα: Γιαννης
Τοποθεσια: Ρόδο
Μηχανη: Nuova Simoneli Oscar
Μυλος: Μazzer Super Jolly
Coffee Roaster:
Αγαπημένοι Καφέδες:

ΠροηγούμενηΕπόμενο

Επιστροφή στο MODS & DIY Μηχανές Espresso

Μέλη σε σύνδεση

Εγγεγραμμένα μέλη: Δεν υπάρχουν εγγεγραμμένα μέλη