Πριν από καιρό εργαζόμουν στο service μιας γνωστής εταιρείας.
Πολλές φορές βρισκόμουν στο εμπορικό τμήμα της εταιρίας στο τμήμα φυσικά με της μηχανές.
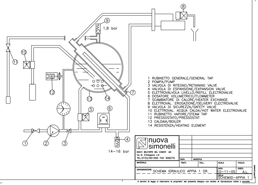
Ενα ποσοστό υποψήφιων αγοραστών μία μικρής οικιακής μηχανής, ήθελαν να δουν στο κουτί τις μηχανής τυπωμένο ένα μεγάλο αριθμό σε bar πχ , 16, 18 κλπ. Ήθελαν να δουν μεγάλο αριθμό σε watt της αντλίας , πχ 45, 56, 65.
Η αντίσταση της μηχανής πόσα watt είναι?
Κάποιοι μου έλεγαν ότι είχαν επιλέξει που θα πάνε την μηχανή που μόλις αγόρασαν για βελτίωση. Θα αφαιρούσαν κάτι που ήταν περιττό , και άχρηστο μέσα στην μηχανή, θα πρόσθεταν κάτι άλλο που έλειπε, θα αντικαθιστούσαν και και κάποιο τρίτο , και η μηχανή με λίγα χρήματα θα έδειχνε σε μετρήσεις χαρακτηριστικά μεγάλης επαγγελματικής μηχανής.
Πιέζοντας ένα μηχάνημα πάνω από τα όρια του μπορεί στιγμιαία να δεις πράγματα που θέλεις.
Πάντα αναφέρομε στο τεχνικό κομμάτι των μηχανών μιά που όταν σε όλα αυτά αν ανακατέψεις μύλο καφέ κλπ, συμβιβάζεσαι με κάθε αλυσίδα που έχει σε όλα τα καταστήματα τον δικό της καλό καφέ τους εξειδικευμένους και εκπαιδευμένους ανθρώπους που πολύ απλά και εύκολα φτιάχνουν έναν καλό καφέ.
Τελευταία ήπια και ένα ρόφημα σε ένα ποτήρι κουβά (μια που όλα τα τραπέζια είχαν κάτι αντίστοιχο ) , που περιείχε λίγο καλό εσπρέσσο λίγο καλό γάλα λίγο κρέμα, νομίζω σαντιγί κάτι πουράκια σοκολάτας λίγη τρούφα , και ένα δύο κερασάκια . Κρίμα που δεν είχα κεράκια μαζί να καρφώσω επάνω για να γιορτάσω και τα γενέθλια μου.
